
AM-BL03-FP
产品介绍
一款集成了Delta机器人、工业摄像头和电脑软件的一体化智能机器人工作站,能够 智能识别细小零件,然后通过高速精准的机械手臂把零件摆放整齐,无论零件正反 面,都能一眼看清,一手搞定
产品特点
1、Delta机器手臂:Delta机器手臂是一种高精度、高速度机器人,被广泛应用于工业自动化领域。相较于其他机器人,Delta机器人更适合进行高精度、高重复性的操作,如电子元器件生产,医疗器械组装等。其主要特点是构造简单,运动速度快,精度高,且同时具有高稳定性和可靠性;
2、16mm F2.8工业镜头:专业用于工业图像采集的镜头,可以为机器手臂提供更加精准的视觉引导,使其能够更好地识别和拾取各种形状复杂的零件;
3、飞拍相机:通过高速拍摄,提供高效率和更精准的定位,使其能够满足各种复杂形状零件的高精度放置要求;
4、零件识别传感器:通过分析零件表面的特征数据,识别出其几何特征和材料属性,从而实现对零件的精确识别和分类。同时,该传感器能够快速、准确地检测零件的位置、姿态、尺寸等参数,为机器人的精准拾取和加工提供基础数据支持;
5、可编程机器操作软件:普通人就可以对机器人进行编程,而不需要专业的机器人技能和专业的编程知识。通过该软件,用户可以利用简单的图形化界面来设计构建机器人的自动化任务,包括机器人的移动路径、传感器监测、响应等,无需使用编程语言进行编写。 相比于传统机器人编程软件,可编程机器人软件界面更加简单易用,用户只需要使用简单的编辑和连接操作即可完成机器人任务编程。 可以根据用户需要进行快速定制和调整,更加灵活的满足不同领域机器人的应用需求。
产品详细参数

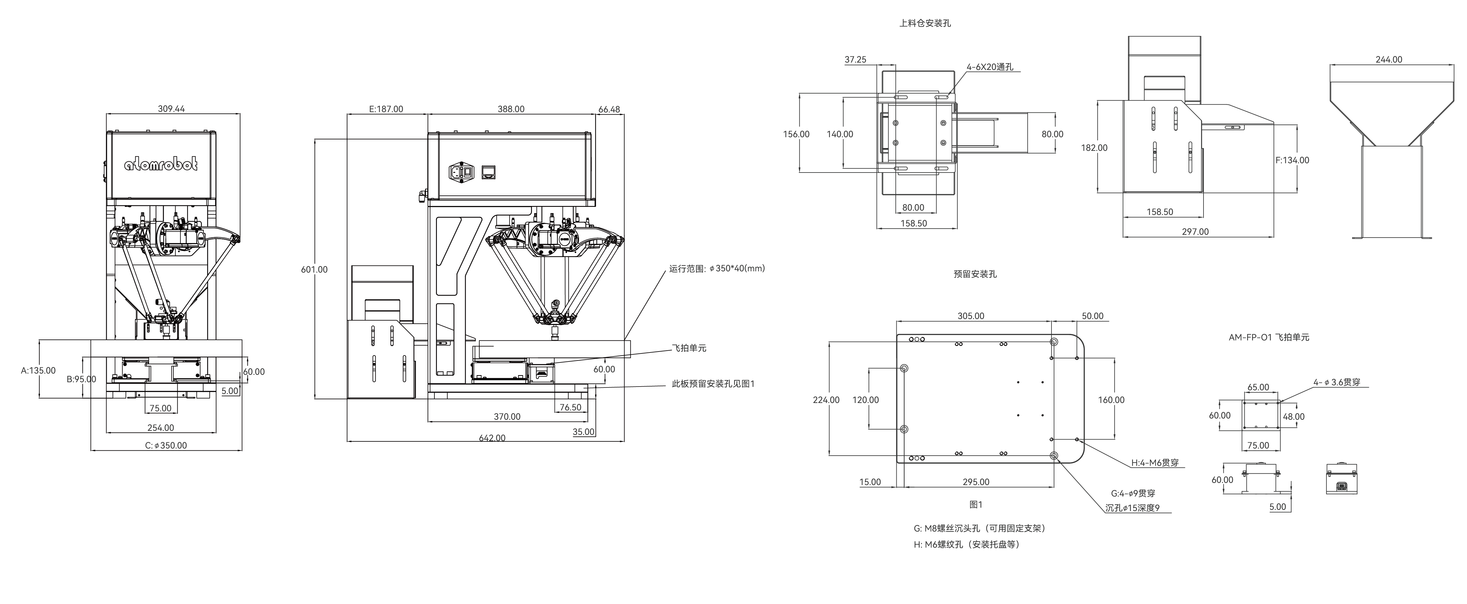
结构总览

详情了解AM-BL03-FP
阿童木mini并联手册